13.03.2012, 10:57
Moinsen,
zur Kabelbelegung kann ich Dir jetzt nichts sagen, weil ich dieses ebay- Rücklicht nicht vor mir liegen habe. Das einfachste ist aber, zunächst erst einmal die richtigen Impulsleitungen am Mopped zu suchen; dazu brauchst Du eine Prüflampe oder einen Voltmeter.
Also alles aus, somit müssen alle aus dem Mopped kommenden Leitungen spannungslos sein; dann Licht an, Prüflampe an die Kabel, da wo die Lampe leutet = + Leitung Licht. Jetzt Licht aus, auf die Bremse steigen, Kabel messen, da wo jetzt die Prüflampe angeht = + Leitung Bremslicht... das letzte Kabel muss dann Masse sein...
Das schwarze/gelbe Kabel an dem Motorrad müsste Masse sein; somit mit Masse Rücklicht verbinden.... das müsste eigentlich schwarz am Rücklicht sein...
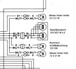
Wenn ich mir den Schaltplan anschaue, musst Du da folgende Farben haben:
[attachment=0]
Dann musst Du wahrscheinlich die beiden anderen tauschen...
Eigentlich gar nichts..., es sei denn, Du hast ein Masseproblem, weil das Rücklicht und die Blinker ihre Masse über die schwarz/gelbe Leitung beziehen!
Grüße und viel Glück, Sascha.
zur Kabelbelegung kann ich Dir jetzt nichts sagen, weil ich dieses ebay- Rücklicht nicht vor mir liegen habe. Das einfachste ist aber, zunächst erst einmal die richtigen Impulsleitungen am Mopped zu suchen; dazu brauchst Du eine Prüflampe oder einen Voltmeter.
Also alles aus, somit müssen alle aus dem Mopped kommenden Leitungen spannungslos sein; dann Licht an, Prüflampe an die Kabel, da wo die Lampe leutet = + Leitung Licht. Jetzt Licht aus, auf die Bremse steigen, Kabel messen, da wo jetzt die Prüflampe angeht = + Leitung Bremslicht... das letzte Kabel muss dann Masse sein...
Das schwarze/gelbe Kabel an dem Motorrad müsste Masse sein; somit mit Masse Rücklicht verbinden.... das müsste eigentlich schwarz am Rücklicht sein...
bikerin78 schrieb:Lampe - Möppi ( D-Modell)
Rot - rot
schwarz - gelb/schwarz
gelb - blau/rot
Wenn ich mir den Schaltplan anschaue, musst Du da folgende Farben haben:
[attachment=0]
Dann musst Du wahrscheinlich die beiden anderen tauschen...
bikerin78 schrieb:Im Polo Shop hat mir dann gesagt, ich müsste das Blinkrelais austauschen (Hab auch LED Blinker) dann wäre das Problem gelöst. Aber was hat denn das Blinkrelais mit dem Rücklicht zu tun?
Eigentlich gar nichts..., es sei denn, Du hast ein Masseproblem, weil das Rücklicht und die Blinker ihre Masse über die schwarz/gelbe Leitung beziehen!
Grüße und viel Glück, Sascha.


