27.10.2011, 02:30
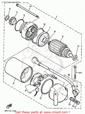
@ rubino: Planetengetriebe sitzt (wenn vorhanden, bei den meisten Motorradstartern die ich bis jetzt zerlegt hab, außer Guzzi, die haben nen BoschAutostarter) im vorderen Lagerdeckel (der ins Motorgehäuse gesteckt wird). Anders wäre dieser kleine Motor nicht in der Lage den Twin durchzudrehen bei moderater Stromaufnahme (unsere kleine Batterie hat max. 130 A zu bieten). Die Guzzi hat ein Riesenschwungrad im Vergleich, da passt die Untersetzung. Hier sieht man das Planetengetriebe gut (Starter eine XJ 900):
[attachment=0]
@Jonny: die unteren Gehäusehälften sind "in einem Stück", also zusammengebaut, gebohrt, um eine perfekte Flucht für alle Wellen zu haben. Im vorderen Bereich sitzt die Kurbelwelle, danach Ausgleichwelle, dann kommen die Getriebwellen.
Wenn die Kurbelwelle schwer dreht, ist das Gehäuse krumm, durch die Intrusion des Bremssattels.Flicken daher unsinnig.
Die Kurbelwelle muß deswegen nicht zwangsläufig defekt sein, ein Vermessen aber in jedem Fall sinnvoll, bevor sie weiter verwendet wird. Der Abgleich der Lager ist bei Kawa über Kennzahlen/-buchstaben mit Tabelle geregelt, also machbar, würde aber wahrscheinlich die Ebay-Preise toppen 6 Lagerschalen sind dann schon eben 100 € (meine eine kostet 15€), Gehäuse, Dichtungen...
Wenn der Block des anderen Motors noch gut ist, spricht nichts gegen ein Patchwork aus beiden! Sowas hab ich schon öfters gemacht. Aus allen Teilen die besten raussuchen und zusammenbauen, man sollte sich aber ein bischen mit der Materie auskennen
maecaenic
[attachment=0]
@Jonny: die unteren Gehäusehälften sind "in einem Stück", also zusammengebaut, gebohrt, um eine perfekte Flucht für alle Wellen zu haben. Im vorderen Bereich sitzt die Kurbelwelle, danach Ausgleichwelle, dann kommen die Getriebwellen.
Wenn die Kurbelwelle schwer dreht, ist das Gehäuse krumm, durch die Intrusion des Bremssattels.Flicken daher unsinnig.
Die Kurbelwelle muß deswegen nicht zwangsläufig defekt sein, ein Vermessen aber in jedem Fall sinnvoll, bevor sie weiter verwendet wird. Der Abgleich der Lager ist bei Kawa über Kennzahlen/-buchstaben mit Tabelle geregelt, also machbar, würde aber wahrscheinlich die Ebay-Preise toppen 6 Lagerschalen sind dann schon eben 100 € (meine eine kostet 15€), Gehäuse, Dichtungen...
Wenn der Block des anderen Motors noch gut ist, spricht nichts gegen ein Patchwork aus beiden! Sowas hab ich schon öfters gemacht. Aus allen Teilen die besten raussuchen und zusammenbauen, man sollte sich aber ein bischen mit der Materie auskennen
maecaenic
