Themabewertung:
  • 0 Bewertung(en) - 0 im Durchschnitt
  • 1
  • 2
  • 3
  • 4
  • 5
Motor säuft ab, Benzin läuft aus linkem Krümmer
#16
Rubino schrieb:Wo schlieߟt du den Benzinschlauch an, oben oder unten ?
Hab auch langsam den Verdacht, daß da was grundsätzliches nicht stimmt. 200 ml in zehn Sekunden ist ja sogar ganz ohne Schwimmer kaum zu erreichen Think
@Horstimann:
Mach doch mal ein Foto von Deiner "Testanordnung", vielleicht ist da ja wirklich was falsch angeschlossen.
Zitieren
#17
Habe alles korrekt angeschlossen.

Benzinzufuhr unten am Benzinschlauch angeschlossen.
Der Vergaserentlüftungsschlauch ist oben angeschlossen (durchsichtig).
An den Ansaugstutzen habe ich die Synchronisationsuhren angeschlossen.

Hier mal 2 Fotos:
[Bild: http://img3.fotos-hochladen.net/uploads/...8uavnt.jpg]
[Bild: http://img3.fotos-hochladen.net/uploads/...ct1hfu.jpg]
Zitieren
#18
@horstimann Du hast Benzinschlauch und Vergaserüberlauf verwechselt beim anschlieߟen. Du musst Benzinzufuhr und den orangen Überlauf-Schlauch tauschen, dann sollte es gehen.
Gruߟ, Juls

Zitieren
#19
Nein, das ist schon so korrekt Wink
Zitieren
#20
Stimmt, ist auf den Bildern richtig angeschlossen, die Benzinzufuhr gehört an den tiefer gelegenen Anschluߟ.
Auch sonst fällt mir auf den ersten Blick nichts ungewöhnliches auf - bis auf das gerissene Nässeschutzgummi am rechten Kerzenstecker Wink
Mal sehen, was die neuen Schwimmernadeln bringen.
Zitieren
#21
ich würd höchstens noch sagen, dass die Flasche vielleicht etwas zu hoch hängt und dadurch ein zu hoher Druck gegen die Nadeln drückt und die nicht mehr richtig schlieben... Think
1.weiteste Anreise Norden2010
2.Motorradquiz Norden2010
3.weiteste Anfahrt Ansbach2008
2.weiteste Anfahrt Ansbach2013
Umbauten:Xenon,LED-Miniblinker,LED-Kennzeichenbel.,blaues umgeschweiߟtes Geweih,SaitoII-Heizgriffe,Blaue LEDs und 2in2 Barracuda Carbon
Zitieren
#22
rex schrieb:Stimmt, ist auf den Bildern richtig angeschlossen, die Benzinzufuhr gehört an den tiefer gelegenen Anschluߟ.
Auch sonst fällt mir auf den ersten Blick nichts ungewöhnliches auf - bis auf das gerissene Nässeschutzgummi am rechten Kerzenstecker Wink
Mal sehen, was die neuen Schwimmernadeln bringen.

Meinst du mit "Nässeschutzgummi" das untere Gummi am Stecker?
Die sind beide mehrmals geschlitzt, aber das sieht original aus!
Oben an der Kabeleinführung zum Stecker ist ein Gummi leicht eingerissen, aber das sehe ich erstmal als nicht so tragisch an.
Zitieren
#23
Steve-o schrieb:ich würd höchstens noch sagen, dass die Flasche vielleicht etwas zu hoch hängt und dadurch ein zu hoher Druck gegen die Nadeln drückt und die nicht mehr richtig schlieben... Think

Also ich denke mal, wenn der atmosphärische Druck von knapp 1bar auf die kleine Oberfläche des Benzins in der Flasche drückt, sollte die Höhe der Flasche egal sein.
Wenn man das kleine Flächenverhältnis zur Benzinoberfläche im Tank vergleicht, wird es im Tank wesentlich stärker Richtung Vergaser gedrückt.
Werde aber trotzdem mal die Flasche tiefer hängen.

Hoffe, daß die Nadelventile morgen kommen!!
So langsam brauch ich die Garage wieder für die wesentlichen Dinge im Leben (z.B. morgens nicht das Eis von der Autoscheibe kratzen zu müssen). Soll nämlich kalt werden kommende Woche.
Zitieren
#24
Das mit der höhe der Flasche ist so auch ok, mach ich genauso und das erfüllt seinen Zweck.

Warte erstmal die neuen Ventile ab.
Wenn du dabei sowieso den Vergaser in der Hand hast, prüf auch mal ob die Düsennadeln korrekt sitzen.
Sprich erst die Nadel, dann das Plastikteil, wurde auch schonmal vertauscht Wink

Was machst du beim testen mit dem Sekundärluftsystem ? baust du das ein, oder verschlieߟt du das zumindest ?
Wird nicht die Ursache sein, ist aber eine Fehlerquelle für unrunden Motorlauf.
Zitieren
#25
Die Düsennadeln sind korrekt verbaut (zuerst die Nadel in den Schieber, dann den Nadelhalter und erst dann die Feder).
Habe sogar 2 neue Nadelhalter eingebaut (diese Kunststoffhalter), da sich der eine etwas verzogen hatte und leicht klemmte. Man konnte die Düsennadel anheben und die blieb dann oben. Jetzt kann ich mit der Spitzzange die Nadeln anheben und sie werden beide wieder durch die Federkraft zurückgedrückt.

Was meinst du mit dem Sekundärluftsystem? Das Einzige, was angebaut war, war diese Motorgehäuseentlüftung, dessen Ventil am Underdruckanschluߟ des rechten Vergasers angeschlossen ist. Für mich ist das kein Sekundärluftsystem, sondern nur eine Motorgehäuseentlüftung, da nur der enstehende Überdruck in die Airbox geleitet wird.
Ein Sekundärluftsystem verbrennt doch die Abgase nochmal nach.
Sowas gibts an den österreichischen Fireblades auch, da werden Teile der Abgase direkt vom Zylinderkopf-Auslaß der Airbox zugeführt.

Habe diese Motorgehäuseentlüftung bei den Testläufen an der GPZ nicht montiert.
Unterdruckanschlüsse sind ja auch durch meine Syncro-Uhren in Gebrauch.
Ich denke mal nicht, daß das alles nur daran liegt... Think
Zitieren
#26
Horstimann schrieb:Was meinst du mit dem Sekundärluftsystem? Das Einzige, was angebaut war, war diese Motorgehäuseentlüftung, dessen Ventil am Underdruckanschluߟ des rechten Vergasers angeschlossen ist. Für mich ist das kein Sekundärluftsystem, sondern nur eine Motorgehäuseentlüftung, da nur der enstehende Überdruck in die Airbox geleitet wird.
Ein Sekundärluftsystem verbrennt doch die Abgase nochmal nach.
Sowas gibts an den österreichischen Fireblades auch, da werden Teile der Abgase direkt vom Zylinderkopf-Auslaß der Airbox zugeführt.
Das ist schon ein Sekundärluftsysstem (SLS) allerdings ein passives. Durch Luftzufuhr in den Abgastrakt werden durch thermische Nachverbrennung Schadstoffe reduziert. Ich hab noch nie an einer Fireblade geschaubt, aber bist du dir sicher, dass die Abgase vom Zylinderkopf-Auslaß zurück zur Airbox gehen und nicht umgekehrt? Wie werden die Abgase gekühlt bevor sie die Airbox erreichen.

In wie weit das Probleme geben kann, wenn das SLS bei der GPZ zur Hälfte nicht montiert ist kann ich nicht sagen. Auf jeden Fall zieht der LFK so aber schon mal Luft nach dem Luftfilter, wodurch dreckige Luft angesaugt werden könnte. Die Luftströmung wie sie mal gedacht war wird dadurch sicherlich auch behintert. Zusätzlich bekommt der Abgastrakt ungefilterte Luft. Vielleicht wirkt sich das auch irgendwie negativ auf die Rückschlagventil aus und der Staudruck stimmt nicht mehr?

Die Motorgehäuseentlüftung befindet sich unterhalb des Luftfilterkastens (LFK) und leitet die im Motor freigesetzen Öldämpfe in den FLK ein, damit sie der Verbrennung im Motor zugeführt werden können.
Zitieren
#27
Hast Recht, die Abgase werden beim SLS der Fireblade nicht der Airbox zugeführt, sondern Luft wird von der Airbox den Abgasen zugegeben. Habe mich in der Fluߟrichtung vertan...

Werde beim nächsten Test nach Montage der neuen Nadelventile die Schläuche des "SLS" der GPZ montieren. Mal schauen.
Danke für den Tip.

Aber trotzdem kann das doch bei der GPZ kein SLS sein!?
Es wird doch nichts dem Verbrennungstrakt bzw. Abgastrakt zugeführt, oder?
Oder gehen die beiden Rohrstutzen oben auf dem Ventildeckel zum Abgastrakt?
Dachte, da wäre nur ein Sieb drunter und es wird der Ventiltrieb be-/entlüftet.
Wird bei meinem Astra-Motor genauso gemacht.
Zitieren
#28
darunter sind kleine Rückschlagventile und ab da dann Richtung abgastrakt...ist also schon nen SLS

kannst ja zum Testen die Schläuche des SLS an den Ventildeckel anschlieߟen und das Ventil. brauchst das ja nicht an den vergaser anschlieߟen, dann läuft der Motor halt ohne SLS aber zieht da hinten kleine Fremdluft und auch keine Fremdluft in die Airbox.
1.weiteste Anreise Norden2010
2.Motorradquiz Norden2010
3.weiteste Anfahrt Ansbach2008
2.weiteste Anfahrt Ansbach2013
Umbauten:Xenon,LED-Miniblinker,LED-Kennzeichenbel.,blaues umgeschweiߟtes Geweih,SaitoII-Heizgriffe,Blaue LEDs und 2in2 Barracuda Carbon
Zitieren
#29
Steve-o schrieb:darunter sind kleine Rückschlagventile und ab da dann Richtung abgastrakt...ist also schon nen SLS
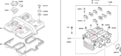
Hast du zufällig eine Grafik bzw. Bild vorrätig wo man diese Verbindung zum Abgastrakt erahnen kann? Ich hatte den Ventildeckel bisher nur einmal runter und das ist schon eine Weile her. Auf den Explosionszeichnungen kann ich es leider auch nicht nachvollziehen, bis auf das Rückschlagventil welches gut sichtbar eingezeichnet ist. Die Frage wie die Luft in den Abgastrakt kommt find ich echt gut.
Zitieren
#30
wenn ich mich richtig erinner, dann gehen von den Rückschlagventilen da öffnungen durch wie ich hier in Rot eingemalt hab...bin aber nicht ganz sicher, ob das das richtige Loch ist, wo die Luft dann weiter reingeht...

hoffe man kann das erkennen...


Angehängte Dateien Thumbnail(s)
   
1.weiteste Anreise Norden2010
2.Motorradquiz Norden2010
3.weiteste Anfahrt Ansbach2008
2.weiteste Anfahrt Ansbach2013
Umbauten:Xenon,LED-Miniblinker,LED-Kennzeichenbel.,blaues umgeschweiߟtes Geweih,SaitoII-Heizgriffe,Blaue LEDs und 2in2 Barracuda Carbon
Zitieren


Gehe zu:


Benutzer, die gerade dieses Thema anschauen: 1 Gast/Gäste